洛阳润成气井旋流除砂器工作原理及图解
时间:2020.04.07
上次我们提到如何选购合适的旋流除砂器,今天洛阳润成小编又为大家整理出旋流除砂器的工作原理和图解,希望对用户有所帮助。
天然气田井口压力过高,介质复杂,流体多变,井口除砂比集气站、计量站、转接站更困难。井口除砂器通常要服务于多口井,多个气田,各气田甚至同一气田的不同井之间出砂浓度,砂砾尺寸都不尽相同,井口除砂器操作条件和使用性能上应具有广泛适应性。
因此油气井旋流除砂器多采用撬装设计,将除砂器固定在撬体上。
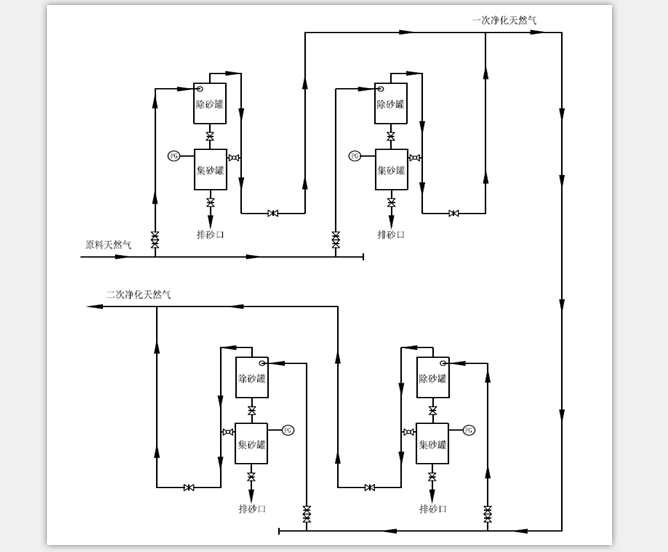
气井旋流除砂器工作原理

气体由斜切接管进入,根据除砂器中固体颗粒快速旋转的工作原理,以在流体进行进一步处理之前从高速废水中去除固体。为了防止下游设备损坏,结垢和阻塞,在运行过程中,将整个井流送入除砂器容器,在除砂器容器中,根据离心力,向心浮力和流体阻力,旋风分离器内部发生分离。分离出的固体砂粒及少量液体在自重作用下排出,进行一个可进行分离,减压和冲洗的储液器中。性能取决于出水条件,例如粒径分布,出水与颗粒的密度对比,出水粘度和入口速度。

洛阳润成在石油设备领域潜心研究数十年,我们生产的旋流除砂器、高压双筒除砂器已广泛应用于国内大型油气田。我们的工程技术团队,在设备的设计上严格按照行业规范和用户需求。